

咨询热线 15388025079 时间:2026-02-26 15:11:46 浏览量:363
自18世纪欧洲发明杯式风速仪以来,机械式风速风向传感器一直在气象监测中扮演重要角色。然而,机械部件固有的局限性——启动风速高、维护成本高、使用寿命短——始终制约着现代高精度监测与科学研究需求。
为突破这些瓶颈,NiuBoL推出三维超声风速风向仪。该产品基于超声波在气流中传播速度差异的原理,完全摒弃机械运动部件,实现无惯性、全三维风场测量。即使在零风速或微风条件下,也能精准捕捉复杂气流动态,为风场研究、环境监测、工业安全提供可靠数据支撑。
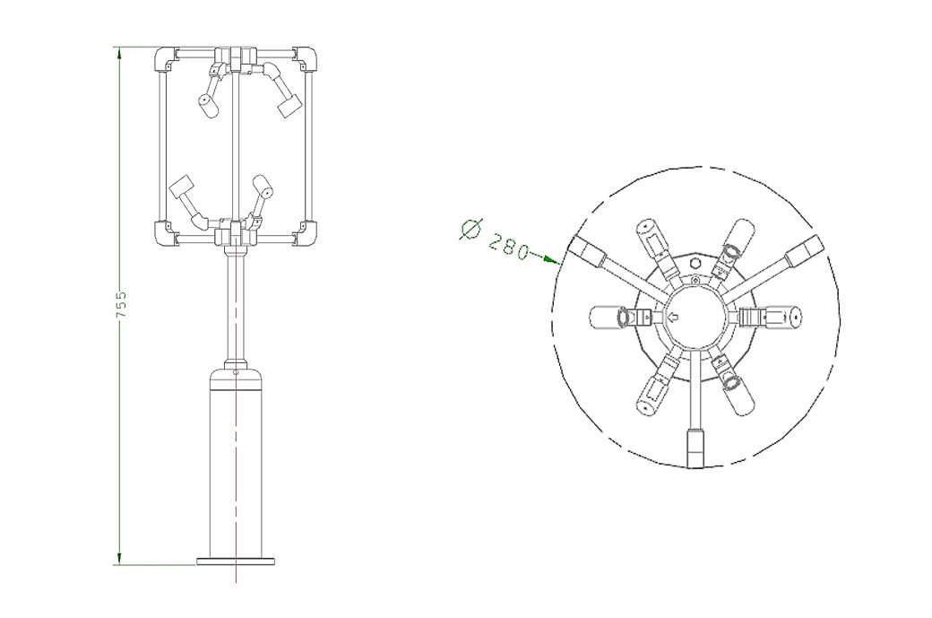
三维超声风速风向仪采用飞行时间差(TOF)法。六个超声换能器呈三维空间排列,发射并接收声波,测量声波在空气中传播的时间差。风速影响传播时间,顺风方向传播更快,逆风方向更慢。设备通过三轴(X、Y、Z)测量计算完整风矢量,包括:
- 合成风速
- 水平风向
- 垂直风向
- X/Y/Z轴风速分量
同时根据声速推算虚温,实现全面大气分析。

同时采集三维风速、水平/垂直风向、声速虚温。全维度数据确保气象、风电、科研应用的完整性与科学性。
三维探头布局覆盖所有空间方向,无死角。与机械式不同,无需启动风速,即使零风或微风也能精准测量。
无运动部件,无摩擦磨损,长期保持精度。免除频繁现场校准与维护,大幅降低长期连续监测的运维成本。
全金属外壳+防腐涂层,耐雨、耐潮、耐盐雾、耐紫外线,适合长期户外、沿海或工业环境部署。
无需复杂校准,固定支架、连接线路即可。一人几分钟完成部署,非常适合偏远或高空站点。
- 合成风速:0–60 m/s,±(0.5 + 3% FS),分辨率0.01 m/s
- 水平风向:0–359°,±3°,分辨率1°
- 垂直风向:-90–90°,±3°,分辨率1°
- X/Y/Z轴风速:-60–60 m/s,±(0.5 + 3% FS),分辨率0.01 m/s
适用于精密风场研究、城市气流分析、风电场运维、工业环境监测等场景。

- 气象观测:为天气监测与研究提供高精度风场数据。
- 风电运维:三维风数据优化风机布局、能量评估与运行效率。
- 环境监测:分析气流、污染物扩散、城市风环境。
- 工业安全:监测高空风与气流变化,防范风敏设施风险。
- 交通运输:机场、港口、航线风况监测,确保运行安全。
- 科研与教育:实验室、高校研究与教学演示,提供精确数据。
| 供电电压 | DC 9-24V |
| 信号输出 | RS485 |
| 通信协议 | 标准MODBUS协议 |
| 波特率 | 9600 bps |
| 平均功耗 | 2W |
| 工作温度 | -40-80℃ |
| 工作湿度 | 0-100%RH |
| 防护等级 | IP66 |
监测要素:合成风速、水平风向、垂直风向、X/Y/Z轴矢量风速
| 要素 | 量程 | 精度 | 分辨率 |
| 合成风速 | 0~60m/s | ±(0.5+3%FS) | 0.01m/s |
| 水平风向 | 0~359° | ±3° | 1° |
| 垂直风向 | -90~90° | ±3° | 1° |
| X轴风速 | -60~60m/s | ±(0.5+3%FS) | 0.01m/s |
| Y轴风速 | -60~60m/s | ±(0.5+3%FS) | 0.01m/s |
| Z轴风速 | -60~60m/s | ±(0.5+3%FS) | 0.01m/s |
三维超声风速风向仪无缝对接NiuBoL云平台,提供:
- 实时显示(风速、风向、声速虚温、X/Y/Z矢量分量)
- 历史趋势分析与数据导出
- 异常报警与提前预警
- API接口,支持第三方系统集成
用户可快速评估风场状况、优化风机布局、支持城市风环境分析,或提前规避工业风险。
机械式依赖杯状或叶片,存在启动风速高、磨损、需频繁维护等问题。超声式无运动部件,零风速启动,精度更高,免维护。
适合 — 全金属外壳+防腐处理,耐雨、耐潮、耐盐雾、耐紫外线,全天候运行。
三对超声换能器测量X/Y/Z轴分量,通过矢量合成计算总风速与水平/垂直风向。
安装简单:固定支架、连接线路即可。无需焊接或复杂调试,非专业人员也可快速部署。
RS485输出,标准MODBUS协议(9600 bps),兼容常见数据采集系统。
不需要 — 无运动设计保证长期稳定,无需定期校准。
完全可以 — 提供高精度风数据,适用于风场研究、环境分析、实验室教学。
气象、风电运维、城市风环境、工业安全、交通运输、科研教育等需要精密风数据的领域。
可靠 — 在无风或微风条件下稳定运行,精准捕捉微小气流,避免机械式常见的数据空白。
无机械磨损,持续使用多年精度稳定,运维成本极低。
NiuBoL 三维超声风速风向仪以创新超声原理实现零启动风速、无机械磨损、全三维风矢量测量,大幅提升监测精度与可靠性。坚固耐用、免维护、安装简便,在气象观测、风电运维、环境监测、工业安全、科研教育等领域表现出色。
高精度、多参数、全方位感知,NiuBoL为现代风速测量树立新标杆,推动风监测向智能化、精密化、成本效益化迈进,为科研、工业与运行决策提供坚实数据基础。
相关推荐
相关产品